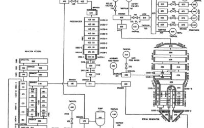
{:es} INTRODUCCIÓN Y ANTECEDENTES Un grupo considerable de organizaciones españolas, entre ellas el CSN, han promovido durante los últimos 30 años tareas encaminadas a la asimilación, mejora y aplicación de códigos termohidráulicos a las centrales nucleares españolas....
Grupos de Trabajo
Boletines CEIDEN
Grupos de Trabajo
Programas CEIDEN
Grupo Reactores Nucleares Modulares (SMR)
{:es} La transición energética hacia un escenario de emisiones neutras plantea importantes retos para el sector eléctrico. La energía nuclear juega un papel estratégico por su demostrada contribución desde el punto de vista de las emisiones, la resiliencia del sistema...
Grupo Combustibles de Tecnología Avanzada (ATF-España)
{:es} Programa ATF – España INTRODUCCIÓN Y ANTECEDENTES La Plataforma Tecnológica (PT) CEIDEN estableció, en 2017, el desarrollo de combustibles ATF (Advanced Technology Fuel) como una de las tres "Iniciativas Tecnológicas Prioritarias" del sector nuclear en el marco...
Programa Coordinado CAMP-ESPAÑA
{:es} Para un mejor seguimiento y aprovechamiento del programa y análisis de la aplicabilidad de los resultados a las centrales nucleares españolas, el CSN ha promovido la participación de todas las organizaciones nacionales interesadas. Todo ello ha sido canalizado a...
Programas Internacionales Asociados
{:es} Estas colaboraciones han estado catalizadas por los sucesivos acuerdos CAMP (Code Assessment and Maintenace Program) entre el CSN y el organismo regulador americano USNRC, que facilitan el acceso a los códigos de simulación termohidráulica desarrollados por...
Grupo Pequeñas y Medianas Empresas: PYMEs-CEIDEN
INTRODUCCIÓN El Grupo PYMEs de CEIDEN se constituye en 2015, para coordinar las iniciativas de las Pequeñas y Medianas empresas miembros de CEIDEN y así lograr una participación y visibilidad mayores en las iniciativas y en los proyectos desarrollados dentro de...
Grupo SIREN: Simulación de Reactores Nucleares
{:es} El grupo SIREN fue constituido en 2016 con el principal objetivo de compilar un “Catálogo de Códigos de Cálculo” que son usados, implementados, y/o desarrollados por las organizaciones del sector nuclear español. Este catálogo es de gran utilidad por las...






